根据《中华人民共和国民法典》等有关合同的规定,本着公平、公正、公开的原则,现对“省热作所1#科技楼屋面防水修缮工程”项目的施工单位,向社会公开征集比选。
一、 工程概况
(一)工程名称:“省热作所1#科技楼屋面防水修缮工程”施工单位比选。
(二)施工内容:
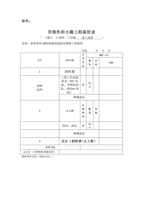
1、所本部“省热作所1#科技楼屋面防水修缮工程”,面积410平方,包含清洗及垃圾运出我所并充分考虑防水及保护层的耐用性。
2、工程建设总造价控制上限为人民币29000元(大写:贰万玖仟元整),含税费。
(三)本次比选范围:具有建筑行业相关经营范围的施工的法人企业或个体工商户,不接受自然人个人报价。
(四)评标方式:最低总价中标。
二、评选周期:5个日历天。
三、比选申请人资格及相关要求
(一)申请人应是具备独立法人资格,有能力承接施工内容的国内法人企业或个体工商户,能够开具正式普通发票。
(二)接受报名时间:2026年4月8日至4月14日,未在规定时间内将报价材料(含税、企业营业执照、法人代表个人身份证及联系方式)纸质送达本所的不再增补。
(三)报名参加比选并符合申请人资格要求的单位数量须大于或等于三家,否则须重新进行报名;申请人数量等于或多于三家,经确认,符合上述条件的申请人于2026年4月9日前组织现场测量,未经现场勘查、测量的报价视为无效报价。
(四)于2026年4月14日下午16:00前,提交报价(纸质送达);有效提交报价少于三家将重新进行比选公告。
四、联系方式
联系人:吴贵芳
电话:0596-2615307
附件:省热作所小微工程报价表

福建省热带作物科学研究所
2026年4月7日
